leyu乐鱼(中国)体育官方网站

leyu乐鱼(中国)体育官方网站 行业资讯 政策法规 产业市场 节能技术 能源信息 宏观环境 会议会展 活动图库 资料下载 焦点专题 智囊团 企业库
节能技术  中国节能产业网 >> 节能技术 >> 节能案例 >> 正文
精滤工艺全自动自清洁节能过滤技术
来源:中国节能产业网 时间:2015-5-25 14:58:54 用手机浏览

一、技术名称:精滤工艺全自动自清洁节能过滤技术

二、技术所属领域及适用范围:有色金属行业、化工行业的精滤工序

三、与该技术相关的能耗及碳排放现状

目前在氧化铝厂精滤工序通常在过滤工序使用凯利叶滤机(双筒叶滤机),每年刷车进入流程中的水量约60000m3,消耗蒸汽约24000t,水及蒸汽的耗量大,滤布寿命短,同时操作不方便,运行费用高。不仅浪费能源,而且影响经济效益。目前该技术可实现节能量27万tce/a,CO2减排约71万t/a。

四、技术内容

1.技术原理

利用高位槽与过滤机壳体的液位差,高效自清洁反冲卸饼,滤后精液反向清洗滤布,水耗为零,有效降低蒸发工序负荷。

2.关键技术

(1)采用先进的控制技术,设备全自动运行,降低劳动强度,操作更方便。独有三重机内压力过载保护,确保安全可靠;

(2)工作周期短,辅助工作时间仅1-2分钟,设备效率高;

(3)配备隔离阀,各滤片能单独控制,发现异常立即隔离;

(4)针对不同工序,气动阀门适合氧化铝物料高粘度易结疤的特性,保证长期可靠运行。

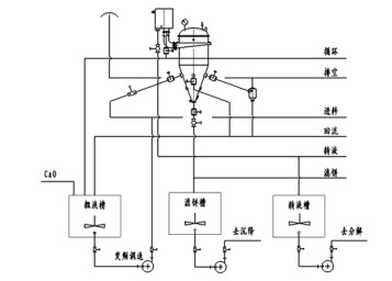
3.工艺流程

赤泥沉降槽的溢流通过叶滤机,将浮游物控制在<15 mg/L后进入分解工序,然后卸下滤饼返回赤泥沉降槽。该技术全过程由计算机自动控制,每一循环包括:进料阶段、挂泥阶段、正常过滤阶段、卸压排泥阶段、液面调整阶段。全自动自清洁过滤技术工艺流程见图1。

  图1 全自动自清洁过滤技术工艺流程图

五、主要技术指标

1.铝酸钠粗液精制工序:

设计产能:1.2-2.0 m3/m2h;精液浮游物:≤10 mg/L;

滤布寿命:约90天;工作压力:0.39 MPa(叶滤机壳顶压力)

2.种分母液回收工序:

设计产能:2.0-3.0 m3/m2h;精液浮游物:≤15 mg/L;

滤布寿命:约90天;工作压力:0.39 MPa(叶滤机壳顶压力)

六、技术鉴定、获奖情况及应用现状

该技术已通过中国有色金属工业协会组织的科学技术成果鉴定,并荣获中国有色金属工业科学技术二等奖。截止2008年12月底,该技术已在国内几十家氧化铝厂应用,总台数近200台,还远销到台湾某氧化铝厂。目前已投运的设备均运行良好,节能降耗高质提产效果突出,每台立式叶滤机每年比原有老式凯利叶滤机平均节约费用近200万元。其中,中铝山东分公司80万吨拜尔法氧化铝生产已采用10台226m2和3台150m2全自动自清洁立式叶滤机,综合效益约3500万元(其中经济效益2800万元,投资效益700万元);中铝山东分公司还在母液浮游物回收、微粉氢铝母/洗液浮游物回收、沸石、分子筛生产线等方面采用了该技术,取得良好节能效果。

七、典型应用案例

典型用户:中铝山东分公司、中铝中州分公司、贵州分公司、平果分公司、中州分公司、河南分公司、山西分公司

典型案例1:中铝山东分公司。

建设规模:80万吨拜尔法氧化铝生产。主要改造内容:拆除原凯利叶滤机,改造厂房,安装全自动立式叶滤机及其控制系统。节能技改投资额2000万元,建设期6个月。每年立式叶滤机工序总节能约2.6万tce,节能经济效益2800万元,投资回收期1年。

典型案例2:中铝山东分公司化学品氧化铝厂。

建设规模:10万吨4A沸石生产线/2万t微粉氢铝生产线。主要改造内容:采用新型立式叶滤机节能系统,以实现低能、高效和全自动化操作,10万吨4A沸石生产线安装2台306m2立式叶滤机,2万t微粉氢铝生产线安装2台60m2全不锈钢立式叶滤机。节能技改投资额600万元,建设期6个月。每年在立式叶滤机工序总节能约12000tce,取得节能经济效益800万元(不含投资节约效益),投资回收期1年。

八、推广前景及节能减排潜力

该技术可用于湿法冶金中固液分离后的精滤处理及化工生产中的精过滤处理,有较大的推广市场,节能潜力巨大。单就氧化铝生产而言,预计未来5年,该技术在行业内的推广潜力可达到25%,预计投资总额3.7亿元,节能能力45万tce/a,减排能力119万tCO2/a。


分享到:
leyu乐鱼(中国)体育官方网站相关的文章 iTAG:
没有相关技术
频道推荐
服务中心
微信公众号

CESI
关于本站
版权声明
广告投放
网站帮助
leyu乐鱼(中国)体育官方网站-LEYU.COM
网站服务
会员服务
最新项目
资金服务
园区招商
展会合作
中国节能产业网是以互联网+节能为核心构建的线上线下相结合的一站式节能服务平台。
©2007-2016 CHINA-ESI.COM
鄂ICP备16002099号
节能QQ群:39847109
顶部微信二维码底部
扫描二维码关注官方公众微信