leyu乐鱼(中国)体育官方网站

leyu乐鱼(中国)体育官方网站 行业资讯 政策法规 产业市场 节能技术 能源信息 宏观环境 会议会展 活动图库 资料下载 焦点专题 智囊团 企业库
节能技术  中国节能产业网 >> 节能技术 >> 工业节能 >> 正文
电容补偿装置的分析计算与设计安装
来源:中国资产管理网 时间:2008-4-26 14:33:10 用手机浏览

   提要:当高压配电系统发生故障时,合闸柜交流电源电压将大大降低甚至失压,控制回路将失掉电源,而不能保证保护装置和跳闸线圈可靠动作。从而导致事故扩大化,这对继电保护和跳闸回路是不允许的。利用电容补偿装置来补偿直流电压,便可有效解决上述问题,使保护装置正确可靠动作。
电容储能补偿装置的分析计算与设计安装 

    摘  要:针对青铜峡铝业集团铝材公司高压配电室多次发生系统交流故障、控制母线失压和保护拒动的问题,经过对该配电室保护回路分析计算,确定加装一套电容补偿装置,有效解决了问题,提高了保护回路动作的可靠性,避免了事故扩大。

    关键词:电容补偿装置;分析;计算;设计;安装;容量理论;选型

    当高压配电系统发生故障时,合闸柜交流电源电压将大大降低甚至失压,控制回路将失掉电源,而不能保证保护装置和跳闸线圈可靠动作。从而导致事故扩大化,这对继电保护和跳闸回路是不允许的。利用电容器储能来补偿直流电压,便可有效解决上述问题,使保护装置正确可靠动作。
    我公司下属的铝材公司高压配电室采用西安整流器厂生产GKA-100/220型合闸柜。交流电源取自所内变压器,由于实行无人值班,该配电室曾多次发生系统交流故障,控制母线失压,保护拒动的情况。经对该配电室保护回路分析计算,认为加装一套电容补偿装置,便可解决上述问题。正常运行时,电容器组储备充足电能;当直流失压后,便会向跳闸线圈放电,使保护装置正确动作。直流电压恢复正常后,电容器组又会充足电能,以备待用。

    一、电容器组容量理论计算
    该配电室安装17台高压开关柜,操作机构为CD10-I型,脱扣额定电压Ve=220V,Ie=2.5A,固有跳闸时间Tgy=0.1s,时间继电器采用DS-112c型,其时限Tb=0.7s,消耗功率PJ=2W。
    则跳闸线圈耗能WT=0.7Ve×0.7Ie×Tgy=27 J
    时间继电器耗能为WJ=PJ×Tb=8.4J
    中间继电器内阻大,消耗能量小,可忽略。
    断路器同时跳闸台数K1取4时,则跳闸时消耗总能量为W,W=K1(WT+WJ)=4(27+8.4)=142J

    当电容器有效系数K2取1.5;Uc=1.1 Ve,取Uc=230V时,
    代入上式,则C=8 052μF。
    由于电容器的容量在运行时受许多因素影响,所以在选择时应留有适当余量。我选取的两组电容器,每组总容器总容量为9 000μF。

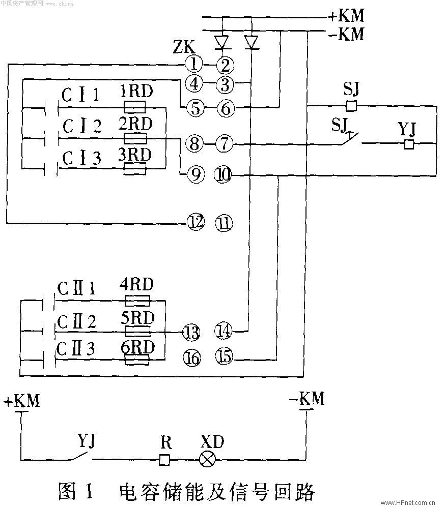
    二、电路设计及主要元件选型
    图1为电路设计,图中除控制母线外,其余部分均为加装部分。

    1.电容选用CD-1型,耐压450V,500μF电解电容两组共36只。
    2.熔断器选RL1-15/5A,两组共六只。
    3.逆止元件1D 2D选用2CZ-20/250,共两只。
    4.转换开关,CK选用LW2-2.6.6a/F4-8X型。
    5.C I 1~C I3,CⅡ1~CⅡ3共六个支路,每个支路并联六个电解电容。
    安装时,可将两组电容器安装在一块配电盘上,固定于信号屏背面,电容量检查的转换把手ZK,时间继电器SJ,电压继电器YJ和信号灯XD可安装于信号屏上,便于监测。电解电容器在通电使用前,应先进行“老练”。即在使用前,使电容器逐渐加压,可按每h升高100V的速率升至额定电压,然后维持几小时再检查是否发热,如有发热则表明该电容器漏电大,不宜使用。否则加上额定电压后,容易击穿烧坏。
    此套电容补偿装置自投运以来,经多次验证,直流电压补偿效果好,有效解决了直流失压后,开关不能及时正确动作的问题,同时两组电容器互为备用,通过电容检查回路可定期对电容器组容量进行检查。该电容补偿装置由于具有安装简单,价格低廉的特点,因此具有较强的实用性和推广价值。


分享到:
leyu乐鱼(中国)体育官方网站相关的文章 iTAG:
家用电容补偿节电器能否省电的问题验证
频道推荐
服务中心
微信公众号

CESI
关于本站
版权声明
广告投放
网站帮助
leyu乐鱼(中国)体育官方网站-LEYU.COM
网站服务
会员服务
最新项目
资金服务
园区招商
展会合作
中国节能产业网是以互联网+节能为核心构建的线上线下相结合的一站式节能服务平台。
©2007-2016 CHINA-ESI.COM
鄂ICP备16002099号
节能QQ群:39847109
顶部微信二维码底部
扫描二维码关注官方公众微信